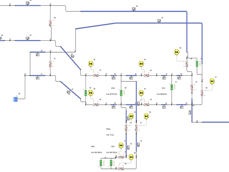
Druckstoßberechnungen für eine Kühlwasserversorgungsanlage
Für die industrielle Kühlwasserversorgungsanlage eines Stahlerzeugers wurde im Jahr 2008 ein hydraulisches Modell erstellt und es wurden umfassende Druckstoßberechnungen durchgeführt. Durch die Erweiterung des Kühlwassersystems um 2 Dual-Fuel-Motoren (maximale Kühlwassermenge jeweils 500 [m³/h]) soll aktuell die Druckstoßgefährdung der Anlage erneut überprüft werden.
Anforderungen an die Erweiterung des Kühlwassersystems
Bei einer Fehlauslösung der Regelklappen an den DF-Wärmetauschern muss ein Mindestkühlwasserstrom von 50 [m³/h] aufrechterhalten werden. Zu diesem Zweck sollen Bypässe rund um diese Regelklappen untersucht werden, um den Mindestdurchfluss durch die Wärmetauscher der Motoren zu gewährleisten. Gleichzeitig müssen die Blenden in den Bypässen so dimensioniert werden, dass der Druckanstieg in den Vorlaufleitungen im Falle eines fälschlichen Schließens der Regelklappen den zulässigen Wert von 588 [müNN] nicht überschreitet.
Weiters ist der totale Antriebsausfall aller Kühlwasserpumpen im Vollbetrieb mit maximaler Kühlwassermenge untersucht worden. Für diesen Lastfall wurde kontrolliert, ob die Kavitationssicherheit im Kühlwasserkreislauf gewährleistet ist.
Simulationsergebnisse zur Anlagendimensionierung
Die Erweiterung der Kühlwasserversorgungsanlage um 2 Dual-Fuel-Motoren führt unter den berechneten Lastfällen und Randbedingungen zu keinen unzulässigen Anlagenbelastungen. Werden an den Regelklappen der Dual-Fuel-Motoren jeweils Bypässe mit einem Mindestdurchmesser von 30 [mm] vorgesehen, kann ein minimaler Wärmetauscherdurchfluss von 45 [m³/h] bei einer Druckdifferenz zwischen Vorlauf und Rücklauf von 0,473 [bar] gewährleistet werden.
In den simulierten Lastfällen konnte weder bei einer Fehlauslösung der Regelklappen noch bei einer simultanen Netztrennung der Pumpen eine unzulässige Druckerhöhung festgestellt werden. Es konnte nachgewiesen werden, dass eine Schließzeit unter 60 [s] realisiert werden kann. Die beiden Differenzdruckregelventile sind als Druckstoßsicherung ausreichend, um einen notwendigen Bypass zwischen Vorlauf und Rücklauf zu gewährleisten, auch bei geschlossenen Bypässen der Verbraucherregelklappen.
Ergebnis: Keine Kavitationsgefahr
Durch die Randbedingung eines Minimalpegels am Ausgleichsbecken von 568 [mÜNN] konnte in den untersuchten Betriebsfällen keine Kavitationsgefahr ausgemacht werden. Sowohl die Windkessel als auch das Wasserschloss fungieren im Falle eines Pumpenausfalls in ihrer Funktion als Pufferspeicher zufriedenstellend und gewährleisten die Vermeidung von Lufteinzug und Kavitationsblasenbildung.








