Simulation und Analyse: Druckstoß bei einer Flusswasserentnahme
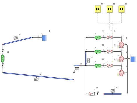
Ein großer städtischer Fernwärmeanbieter beauftragte die Simulation und Analyse einer Druckstoßuntersuchung für eine Pumpenanlage zur Entnahme von Flusswasser. Dazu wurde die Anlage, aufbauend auf den Daten des Auftraggebers, zuerst modelliert und fortführend ein Berechnungsnetzwerk erstellt werden.
Als Ausgangpunkt der numerischen Simulation und Analyse des Druckstoßes wurde eine fundierte Simulation kritischer Betriebszustände der IST-Anlagensituation durchgeführt. Dabei zeigte sich, dass ein sicherer Betrieb der Anlage ohne Druckstoßsicherung nicht möglich ist.
Ergebnis: Einbau und Optimierung einer Nachsaugleitung
Daraufhin wurden der Einbau einer Nachsaugleitung und der Anbau zusätzlicher Schwungmassen zur Druckstoßsicherung erwogen. Des Weiteren wurden mehrere sowohl lineare als auch gestufte Stellgesetzte untersucht. Die transienten Simulationen zeigten, dass mit den zusätzlich einzubauenden Schwungmassen und einem gestuften Stellgesetz ein sicherer Betrieb gewährleistet werden kann. Bei entsprechend längeren Stellzeiten könnte sogar ein lineares Stellgesetz angewendet werden.





